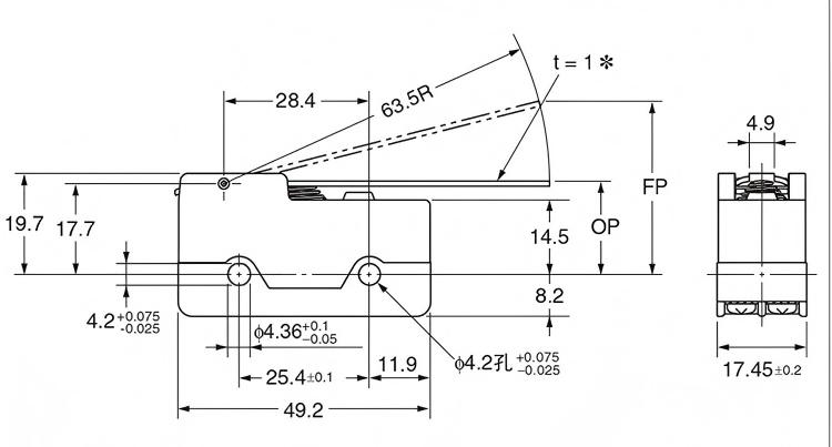
Mikro spínače s dvojitým linkom je automatický komponent riadenia vyvolaný mechanickým pohybom. Jeho základnou funkciou je detekovať posun alebo zdvih objektu na dosiahnutie otvoru a zatvárania obvodov, začiatku a zastavenia zariadenia alebo obmedzenia ochrany. Je to nevyhnutný „bezpečnostný sentinel“ a „veliteľ akcie“ v priemyselnej automatizácii a elektromechanickom zariadení.
Prepínanie Úvodudelenie
Cestovný spínač (známy tiež ako limitný spínač) je automatický komponent riadenia vyvolaný mechanickým pohybom. Jeho základnou funkciou je detekovať posun alebo zdvih objektu na dosiahnutie otvoru a zatvárania obvodov, začiatku a zastavenia zariadenia alebo obmedzenia ochrany. Je to nevyhnutný „bezpečnostný sentinel“ a „veliteľ akcie“ v priemyselnej automatizácii a elektromechanickom zariadení.
Prepínanie Aplikácianáskok
V žeriavoch, výťahoch a zdvíhacích plošinách sú limitné prepínače kritickými bezpečnostnými komponentmi:
Hriadeľ výťahu:Spínače horných a dolných limitov sú inštalované v hornej a dolnej časti hriadeľa výťahu. Ak výťah stráca kontrolu a nadmerné cesty, spínače sa spustia tak, aby zapojili núdzovú brzdu, čo zabránilo zlyhaniu vozidla do hornej časti (nad hlavou) alebo spodnej časti hriadeľa.
Žeriavový háčik:Limitový spínač je nainštalovaný v hornej limitnej polohe cesty háčika. Keď sa háčik blíži k mostu žeriavu, prepínač je aktivovaný na prerezanie energie na zdvíhací motor, čím sa zabráni zrážkam a poškodeniu zariadenia.
Prepínanie Podrobnosti
