Yueqing Tongda Wire Electric Factory ako profesionálny podnik s odolnými mikrospínačmi s lisovanými a spájkovacími tabuľkami s 35-ročnými skúsenosťami vo výrobe spínačov sa sústreďuje na „prispôsobenie riadené dopytom, technológiu zaisťujúcu bezpečnosť“ a so zameraním na hlavné produkty, ako sú kolískové spínače, tlačidlá s červeným tlačidlom, mikrospínače NO/NC a tlačidlové spínače, vrátane rôznych, prispôsobených domácich spínačov a priemyselných, priemyselných NC riešení. sektorov. Vďaka technologickým inováciám a prísnej kontrole kvality sa stal meradlom v oblasti prepínačov na mieru.
Úvod do mikrospínača

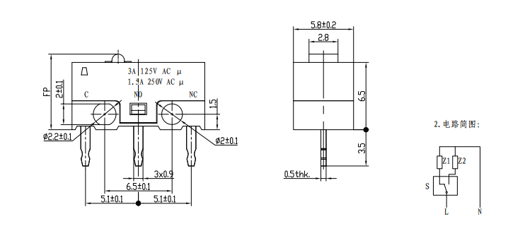
Parameter mikrospínača (špecifikácia)
| ITEM | Hlavné technické parametre |
| 1 | Elektrické napätie: 3A 250VAC |
| 2 | Elektrická životnosť: Min.10000 cyklov |
| 3 | Kontaktný odpor: < 50 mΩ |
| 4 | Prevádzková sila: 70 ± 20 gf |
| 5 | Voľná poloha: 7,3 ± 0,2 mm |
| 6 | Pracovná poloha: 7,0 ± 0,2 mm |
| 7 | Teplota okolia: T85° |
| 8 | Odolné napätie: medzi svorkou a svorkou 500V/5S/5mA; |
| Medzi svorkami a puzdrom 1500/5S/5mA | |
| 9 | Izolačný odpor:>100MΩ Testovacie napätie 500VDC |
| 10 | Proof Tracking Index PTI: 175V |
Podrobnosti o mikro prepínači
