Ako referenčný model série mikrospínačov Yueqing Tongda Wire Electric Factory má mikrospínač HK-14 16A 250VAC T125 Universal Pentium Supor Ryžovar ako svoje hlavné výhody „vysokú citlivosť, ultra dlhú životnosť a adaptabilitu na viacero scenárov“. Integráciou 35-ročných odborných znalostí spoločnosti v oblasti výroby spínačov sa stal kľúčovým riadiacim komponentom v domácich spotrebičoch, automobilovej elektronike, priemyselnej automatizácii a ďalších oblastiach vďaka svojej minimálnej kontaktnej medzere a mechanizmu rýchleho pôsobenia. Jeho výkon a spoľahlivosť boli certifikované viacerými autoritatívnymi organizáciami po celom svete, čím si zabezpečili svoju hlavnú pozíciu na úzkom trhu.
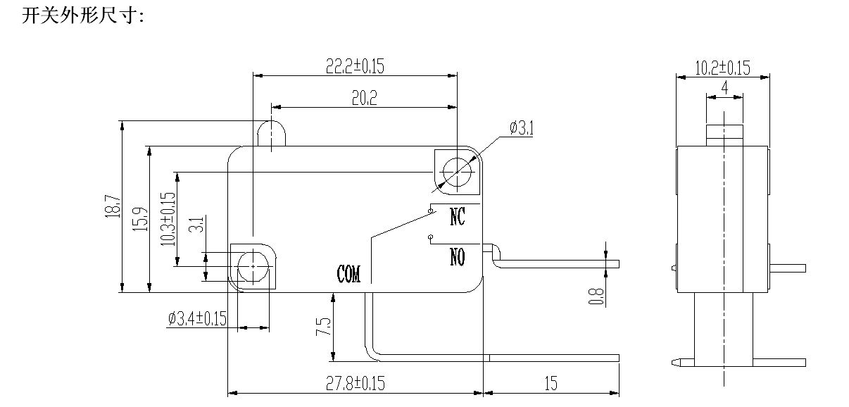
Úvod do mikrospínača
HK-14 demonštruje silnú konkurencieschopnosť v technických špecifikáciách a je obzvlášť vhodný pre požiadavky na vysokofrekvenčné a vysoko presné riadenie. Kontakty sú vyrobené z vysoko vodivých zliatinových materiálov, s počiatočným kontaktným odporom ≤30 mΩ, schopné stabilne prenášať prúdy od 5A do 25A a kompatibilné s viacerými napäťovými scenármi vrátane AC 125V/250V a DC 12V/24V, ktoré spĺňajú rôzne energetické potreby od malých domácich spotrebičov až po priemyselné zariadenia.
Pokiaľ ide o spúšťací výkon, výrobok využíva zaskakovací mechanizmus s pracovným zdvihom iba 0,5-1,6 mm a ovládacou silou regulovanou medzi 0,25-4N. Ponúka rýchlu odozvu spustenia a jasnú spätnú väzbu, čím sa účinne vyhýba problémom s „falošným spustením“ a „oneskorením spúšťania“. Životnosť ďaleko presahuje priemyselné normy: mechanická životnosť presahuje 1 milión cyklov a elektrická životnosť viac ako 50 000 cyklov, čo umožňuje dlhodobú stabilnú prevádzku pri vysokofrekvenčných scenároch použitia, ako sú mikrovlnné rúry a automobilová elektronika.
Rovnako pôsobivá je aj prispôsobivosť k životnému prostrediu. Produkt môže pracovať v širokom rozsahu teplôt od -25 ℃ do 125 ℃, prejsť trojosovým vibračným testom pri 10-55 Hz s amplitúdou 1,5 mm, udržiavať izolačný odpor ≥ 100 MΩ (500 V jednosmerný prúd) a odolať napätiu 1 000 V striedavého prúdu medzi svorkami v priemyselnom prostredí pri vibráciách v dielni alebo v motorovom priestore, stabilný výkon motora aj v dielenskom priestore.
Spoliehajúc sa na systém kontroly kvality Leqing Tongda s úplným procesom, HK-14 prechádza viacerými prísnymi testami od surovín až po hotové výrobky:
Testovanie surovín: Spektrálna analýza kontaktného materiálu, testy pružnosti a únavy pružinového kusu a testy odolnosti proti starnutiu plášťa, aby sa zabezpečilo, že základné komponenty spĺňajú automobilové normy;
Výrobné testovanie: Plne automatizované presné montážne linky vybavené vizuálnymi kontrolnými systémami, ktoré kontrolujú kľúčové rozmerové chyby v rozmedzí ±0,01 mm, aby sa zabezpečila konzistentná presnosť ovládania;
Testovanie hotového výrobku: 100 % úspešnosť 10 testov, vrátane cyklovania pri vysokej a nízkej teplote (-40 ℃ až 120 ℃), 48-hodinovej korózie soľným sprejom, miliónov lisovacích cyklov, testov vibrácií a nárazov.
Parameter mikrospínača (špecifikácia)
| Technické vlastnosti spínača: | |||
| ITEM | Technický parameter | Hodnota | |
| 1 | Elektrické hodnotenie | 5(2)A/10A/16(3)A/21(8)A 250VAC | |
| 2 | Kontaktný odpor | ≤30mΩ Počiatočná hodnota | |
| 3 | Izolačný odpor | ≥100MΩ (500VDC) | |
| 4 |
Dielektrikum Napätie |
Medzi nepripojené svorky |
1000V/0,5mA/60S |
| Medzi terminálmi a kovový rám |
3000V/0,5mA/60S | ||
| 5 | Elektrická životnosť | ≥50 000 cyklov | |
| 6 | Mechanický život | ≥1000000 cyklov | |
| 7 | Prevádzková teplota | -25 ~ 125 ℃ | |
| 8 | Prevádzková frekvencia | elektrický : 15 cyklov Mechanické: 60 cyklov |
|
| 9 | Odolnosť proti vibráciám | Frekvencia vibrácií: 10~55HZ; Amplitúda: 1,5 mm; Tri smery: 1H |
|
| 10 | Schopnosť spájkovania: Viac ako 80 % ponorenej časti musia byť pokryté spájkou |
Teplota spájkovania: 235 ± 5 ℃ Čas ponorenia: 2 ~ 3 S |
|
| 11 | Tepelná odolnosť spájky | Spájkovanie ponorom: 260±5℃ 5±1S Ručné spájkovanie: 300±5℃ 2~3S |
|
| 12 | Bezpečnostné schválenia | UL, CSA, VDE, ENEC, TUV, CE, KC, CQC | |
| 13 | Podmienky testu | Teplota okolia: 20±5 ℃ Relatívna vlhkosť: 65±5%RH Tlak vzduchu: 86 ~ 106 kPa |
|
Funkcia a aplikácia mikrospínača
Podrobnosti o mikro prepínači

