Domov > Produkty > Mikrospínač > Elektromagnetický ventil zapaľovania Termostat ohrievača vody Spínač nádrže na vodu
Elektromagnetický ventil zapaľovania Termostat ohrievača vody Spínač nádrže na vodu

Elektromagnetický ventil zapaľovania Termostat ohrievača vody Spínač nádrže na vodu

Ako klasický sériový produkt od Yueqing Tongda Wire Electric Factory, ktorý sa zameriava na scenáre všeobecného použitia, sú spínače série prepínačov termostatu ohrievača vody zapaľovania s elektromagnetickým ventilom navrhnuté so zameraním na „vysokú stabilitu, širokú kompatibilitu a efektívnosť nákladov“. Zahŕňajú 38 rokov skúseností spoločnosti v oblasti výroby spínačov a pokrývajú dva hlavné typy spúšťania: kolískové a tlačidlové. Sú vhodné pre požiadavky na riadenie obvodov v inteligentných domácnostiach, komerčných spotrebičoch a malých priemyselných zariadeniach. S vyváženým výkonom a spoľahlivou kvalitou sa stali preferovanou voľbou pre univerzálne prepínače v rôznych odvetviach.

Model:HK-04G-1AT-009

Odoslať dopyt

Popis produktu

WEIPENG®je popredným spínačom elektromagnetického ventilu zapaľovania ohrievača vody s termostatom výrobars, suppla vývozcom. 

Prepínač Úvodpodanie 


Prepínače série HK-04G sa zameriavajú na praktické scenáre z hľadiska elektrického výkonu. Kontakty sú vyrobené zo zliatiny striebra a cínu vysokej čistoty a sú spracované technológiou presného zvárania. Počiatočný prechodový odpor je ≤8mΩ a dokážu spoľahlivo prenášať striedavý prúd 10A-16A (menovité napätie 250V AC). Sú vhodné nielen na ovládanie zariadení s nízkou spotrebou energie, ako sú inteligentné domáce osvetlenie a zásuvky, ale aj pre zariadenia so stredným výkonom, ako sú malé priemyselné ventilátory a komerčné tlačiarne. To účinne zabraňuje prehriatiu kontaktov a erózii spôsobenej prúdovým preťažením a zaisťuje bezpečné a stabilné vedenie obvodu.


Prepínač Applicacie


1. Scenáre inteligentnej domácnosti: Pohodlné ovládanie, integrované do LifeSériu HK-04G s kompaktnými rozmermi (približne 20×15×10 mm, D׊×V) možno ľahko integrovať do inteligentných rozvodných skríň, inteligentných zásuviek na stenu a ovládacích panelov inteligentného osvetlenia. V súčasnosti sa stal nosným komponentom pre viaceré domáce značky inteligentných domácností. Napríklad, keď je inteligentná zásuvka určitej značky vybavená kolískovým spínačom tejto série, používatelia môžu rýchlo zapnúť a vypnúť napájanie jeho stlačením. V kombinácii s diaľkovým ovládaním APP dosahuje dvojitý režim ovládania „lokálne + vzdialené“ a miera zlyhania produktu je znížená o 40 % v porovnaní s tradičnými prepínačmi, čím sa zlepšuje používateľská skúsenosť.

2. Komerčné a malé priemyselné scenáre: Efektívna adaptácia, zabezpečená prevádzka

Komerčné vybavenie: Prispôsobené na riadenie výkonu komerčných kávovarov, registračných pokladníc a tlačiarní s optimalizovanými štruktúrami pripojenia terminálov, ktoré podporujú rýchlu inštaláciu káblov. Po dávkovej aplikácii v reťazovej kaviarni sa efektivita montáže zariadenia zvýšila o 25 % a pri dlhodobom používaní sa nevyskytli žiadne problémy s prestojmi zariadení spôsobenými poruchami spínačov.

Malý priemysel: Používa sa na riadenie okruhu malých dopravníkových zariadení a osvetlenia dielní. Puzdro spomaľujúce horenie a stabilný elektrický výkon dokážu zvládnuť mierne prašné prostredie v dielňach. Istá továreň na spracovanie elektroniky ho používala 18 mesiacov bez akéhokoľvek zhoršenia výkonu spínačov, čím sa zabezpečila stabilná prevádzka výrobnej linky.


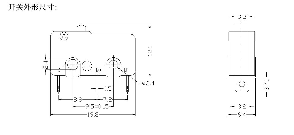
Prepínač Podrobnosti



Hot Tags: Zapaľovací elektromagnetický ventil ohrievača vody Termostat Spínač nádrže na vodu, Čína, Výrobcovia, Dodávatelia, Veľkoobchod, Továreň, Cena
Súvisiaca kategória
Odoslať dopyt
Neváhajte a zadajte svoj dopyt vo formulári nižšie. Odpovieme vám do 24 hodín.
X
Súbory cookie používame, aby sme vám poskytli lepší zážitok z prehliadania, analyzovali návštevnosť stránok a prispôsobili obsah. Používaním tejto stránky súhlasíte s naším používaním cookies. Zásady ochrany osobných údajov
Odmietnuť Prijať