Samostatne resetovanie tlakového limitného mikro spínača je automatický komponent riadenia vyvolaný mechanickým pohybom. Jeho základnou funkciou je detekovať posun alebo zdvih objektu na dosiahnutie otvoru a zatvárania obvodov, začiatku a zastavenia zariadenia alebo obmedzenia ochrany. Je to nevyhnutný „bezpečnostný sentinel“ a „veliteľ akcie“ v priemyselnej automatizácii a elektromechanickom zariadení.
Prepínanie Úvodudelenie
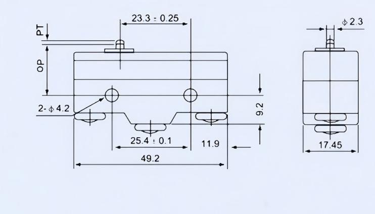
Cestovný spínač (známy tiež ako limitný spínač) je automatický komponent riadenia vyvolaný mechanickým pohybom. Jeho základnou funkciou je detekovať posun alebo zdvih objektu na dosiahnutie otvoru a zatvárania obvodov, začiatku a zastavenia zariadenia alebo obmedzenia ochrany. Je to nevyhnutný „bezpečnostný sentinel“ a „veliteľ akcie“ v priemyselnej automatizácii a elektromechanickom zariadení.
Prepínanie Aplikácianáskok
Mechanizmus zdvíhania reznej plošiny kombinovaného kombajnu je vybavený cestovným spínačom, ktorý nastavuje „minimálnu pracovnú výšku“ a „prepravnú výšku“ reznej platformy. Počas zberu, ak rezná plošina zostupuje príliš nízko (blízko zeme, pravdepodobne zoškrabanie pôdy), spínač sa spustí na riadenie hydraulického systému na zvýšenie reznej plošiny; Počas prepravy, keď sa rezná plošina stúpa na najvyššiu polohu, spínač sa spustí tak, aby uzamkol výšku reznej plošiny, čím sa bráni triasnutiu počas jazdy. V semennej skrinke seda detekuje cestovný spínač úroveň semien. Keď sa semená vyčerpajú, prepínač spustí alarmové zariadenie, ktoré pripomína operátorovi, aby pridal semená, čím sa bráni zmeškaniu siatu.
Prepínanie Podrobnosti
